Moderni interijeri zahtijevaju puno slobodnog prostora u prostorijama. Ovo se pravilo odnosi i na zahodsku sobu. Spušteni WC s instalacijom smatra se jednim od najnovijih vodoinstalaterskih izuma koji vam omogućuju lakonsko i lijepo uređenje WC-a. Da bi proizvod mogao dugo služiti, morate pravilno pristupiti izboru proizvođača, materijalu izrade, odabrati najprikladniji oblik koji odgovara stilu prostorije.
Sadržaj [Hide]
- 1 Instalacija: kakva je, glavne značajke dizajna
- 2 Glavne prednosti i nedostaci zidnih toaleta
- 3 Viseći WC s ugradnjom: glavni kriteriji za odabir
- 4 Osnovne vrste instalacijskih sustava za zidne WC školjke
- 5 Pregled glavnih modela zidnih WC školjki: Roca i Ifo
- 6 Značajke instaliranja visećeg WC-a vlastitim rukama
Instalacija: kakva je, glavne značajke dizajna
Samostojeći toaleti, okruženi velikim brojem cijevi i svih vrsta priključaka, polako postaju stvar prošlosti. Sve češće, prilikom odabira vodovodne opreme, potrošači preferiraju instalacijske setove s visećim WC školjkama, koje su konstrukcija ugrađena u ukrašenu kutiju ili okvirni sustav na zidu. Na ovaj je sustav tada pouzdano pričvršćen spremnik i svi elementi ovješene konstrukcije, a zbog prisutnosti slobodnog prostora tamo su kompaktno sakriveni svi kanali za opskrbu i odvod.
Zanimljive informacije! Mnogi ljudi odbijaju koristiti viseće toaletne garniture, jer jednostavno nemaju povjerenja u vodovod, grubo rečeno, obješen u zraku. Zapravo, s obzirom na pouzdanost, takvi sustavi ni na koji način nisu inferiorni od samostojećih WC školjki s konvencionalnim vodokotlićem.
U sustavu ovjesa toaletne instalacije najčešće se koristi lagani, ali izdržljivi spremnik, izrađen od visokokvalitetne plastike, koja je puno lakša u težini od keramičke verzije. Uporaba plastike smanjuje ukupnu težinu konstrukcije i smanjuje opterećenje okvira. Gumb za ispiranje postavljen je na zid iznad samog WC-a i postavljen na prikladnu razinu.Gumb se najčešće sastoji od dva odjeljka koji omogućuju isušivanje različitih količina vode: kada pritisnete jedan gumb, isprazni se polovica spremnika, a drugi gumb omogućuje potpuno ispuštanje.
Bez obzira na to gdje je instalacija postavljena: na pod ili izravno na zid, sposobna je izdržati veliku težinu (do 400 kg). Važno je da veličina zidne WC školjke s ugradnjom odgovara dimenzijama kutije u koju će se ugraditi konstrukcija. Stoga, prije odabira određenog modela, morate izvršiti potrebna površinska mjerenja. Kao rezultat instalacije sustava, WC školjka i gumb za ispuštanje izlaze u prvi plan, a svi ostali dijelovi pametno su skriveni u kutiji.
Glavne prednosti i nedostaci zidnih toaleta
Osim što ugradnja zidnog WC-a izgleda puno privlačnije od standardnog modela, on ima i druge prednosti, od kojih su glavne:
- Sposobnost lijepog skrivanja u zidu ili posebnoj niši svih vodovodnih komunikacija, koje u većini slučajeva ne izgledaju vrlo atraktivno.
- Nema potrebe postavljati uređaj na pod, što znatno olakšava čišćenje sobe.
- Smanjivanje buke od ispuštanja vode i punjenja spremnika.
- Povećavanje atraktivnosti sobe i racionalno korištenje prostora.
Zbog činjenice da instalacija konstrukcije ne zahtijeva upotrebu podne obloge, to otvara velik broj prednosti. Na primjer, postaje moguće instalirati sustav podnog grijanja bez nepotrebnih poteškoća, kada nema potrebe savijati se oko WC školjke. Također tijekom postupka postavljanja ne postoji mogućnost oštećenja keramičkih pločica koje su krhke.
Unatoč velikom broju prednosti, postoje i nedostaci visećih zahoda, među kojima vrijedi istaknuti sljedeće:
- Dugotrajan postupak instalacije. Da biste pravilno i pouzdano popravili strukturu, morate imati određeno iskustvo i niz znanja u području vodovoda. Inače biste trebali naručiti usluge instalatera čiji će rad koštati puno.
- Potreba za prethodnim radom. U nekim će situacijama, posebno kada je riječ o popravku umivaonika starog fonda, biti potrebno obnoviti sustave vodoopskrbe i odvodnje.
- Obavezna prisutnost niše u zidu. Ne može se instalirati svaki zahod, jer će mu trebati slobodan prostor. Ponekad je prije izvođenja radova potrebno dodatno napraviti nišu u zidu.
- Težak pristup komunikacijama. Zbog činjenice da je pristup cijevima zatvoren lažnim zidom, nije uvijek moguće na vrijeme otkriti curenje.
- Visoki troškovi ugradnje. Cijena paketa usluga za ugradnju instalacije bit će najmanje 1,5-2 puta skuplja od troškova popravljanja samostojećeg WC-a.
Važno! Stanovnici visokih zgrada trebali bi uzeti u obzir da se ponekad komunalne službe usprotive zaklonu uspona iza lažnog zida od gipsane ploče, što ograničava slobodan pristup cijevima. Poznata je situacija kada je društvo za upravljanje tužilo stanare koji su instalirali instalaciju i pobijedili u procesu. Stoga, kako biste izbjegli probleme, bolje je razgovarati s komunalnim službama prije instalacije.
Viseći WC s ugradnjom: glavni kriteriji za odabir
Prije nego što odaberete instalaciju za zidni WC, prvo na što trebate obratiti pažnju je veličina mjesta na kojem planirate ugraditi konstrukciju, jer su upravo ti parametri na koje se morate usredotočiti prilikom kupnje.Ako prodajna mjesta nisu pronašla okvir prikladan za veličinu, trebate se odlučiti za sustav koji se razlikuje prisutnošću pokretnih elemenata. Prisutnost prilagodbe omogućit će vam prilagodbu veličine okvira parametrima niše namijenjene za ugradnju.
Pri odabiru instalacije za WC trebate pažljivo ispitati strukturu i obratiti pažnju na kvalitetu samog WC-a, što je najvažniji i najranjiviji dio kompleta. Također je važno prije kupnje provjeriti dostupnost kompletnog seta, uključujući potrebne dijelove za ugradnju, jer ako nešto nedostaje i to se otkrije izravno u procesu rada, morat ćete izgubiti dodatno vrijeme i novac. Ispod je popis elemenata uključenih u standardni set:
- okvir, koji je osnova cijele strukture;
- set dijelova za ispravno i sigurno pričvršćivanje;
- cisterna;
- vanjski gumb za ispuštanje vode;
- materijali koji se koriste za poboljšanje zvučne izolacije;
- poseban adapter za lakat za ispiranje.
Prilikom kupnje trebali biste se raspitati o značajkama instalacije sustava, jer u nekim slučajevima mogu biti potrebni dodatni pričvršćivači kako bi struktura bila još pouzdanija.
Pri kupnji visećih zahodskih školjki (recenzije kupaca pomoći će vam da napravite pravi izbor), trebali biste obratiti pažnju na činjenicu da je za neke modele teško odabrati zamjenski nosač u slučaju kvara tijekom instalacije. Bolje je kupiti dodatne dijelove koji nedostaju za ugradnju odmah u procesu kupnje instalacije, uz pomoć savjetnika. Ako u utičnici nema takvih elemenata, tada vam stručnjaci, kako bi izbjegli probleme, savjetuju da odustanete od kupnje.
Logično bi bilo pretpostaviti da ako njihovi dijelovi nedostaju na mjestu prodaje instalacijskog sustava, vjerojatno je da ih pronalazak u drugim trgovinama nije ništa manje problematičan.
Značajke izbora pričvršćivača izravno ovise o mjestu ugradnje. Ako je sustav pričvršćen izravno na čvrsti nosivi zid, tada je za ugradnju dovoljno nekoliko pouzdanih sidara, koje možete sami odabrati.
Koristan savjet! Svaki set instalacija uključuje gumb za odvod, ali ako ne udovoljava zahtjevima za neke parametre, moguće je odabrati drugu opciju koja je izgledom prikladnija i bolje se uklapa u stil sobe. Važno je shvatiti da će dvostruki gumb koji regulira intenzitet odvoda pomoći znatno uštedjeti na potrošnji vode.
Prije nego što se odluče za određeni model, stručnjaci preporučuju obratiti pažnju na prisutnost dodatnih funkcija, čiji izbor izravno ovisi o potrebama. Dakle, možete kupiti zidni toalet s funkcijom bidea ili ugrađeni sušilo za kosu. Naravno, takve će se modele razlikovati po višim troškovima, ali rezultat kupnje bit će instalacija nekoliko korisnih uređaja istodobno.
Glavne karakteristike na koje treba paziti pri odabiru instalacije WC-a
Da biste odabrali dobar zidni WC, trebate obratiti posebnu pozornost na proučavanje karakteristika uređaja, jer će o njima ovisiti praktičnost upotrebe. Glavni parametri koje treba uzeti u obzir prilikom kupnje:
- materijal izrade;
- oblik i veličina uređaja;
- boja modela;
- vrsta odvoda;
- pouzdanost proizvođača;
- trošak.
Materijali koji se koriste za izradu visećih konstrukcija ne razlikuju se od standardnih solo kompleta. Na ljestvici najboljih zidnih zahodskih školjki predvode modeli izrađeni od porculana ili zemljane posude, prekriveni posebnom zaštitnom glazurom. Upravo ove opcije odlikuju se najvećom pouzdanošću, imaju atraktivan izgled i najduži vijek trajanja.Međutim, ovdje treba napomenuti da, ipak, porculanske proizvode karakterizira velika gustoća. To je zbog činjenice da se pečenje odvija na višoj temperaturi od obrade fajanse.

Na ljestvici najboljih zidnih wc školjki modeli od porculana ili zemljane posude zauzimaju najviše pozicije
Zanimljivo je! U središtu proizvodnje porculana i fajanca je glina (kaolin), razlika leži u postotku kaolina u odnosu na ostale elemente smjese. Ako je u porculanskim proizvodima postotak gline oko 50%, tada u fajanci - 85%, što ih čini ranjivijima, ali pristupačnima. Češće porculanski predmeti nisu prekriveni bojom, pa se može pretpostaviti da su sve varijante obojenih zahodskih školjki izrađene od fajanse.
Sanitarno posuđe karakterizira prisutnost glazure, a po izgledu običnom čovjeku neće biti lako razlikovati je od porculana. Prednost takvih zahoda je niža cijena. Pri kupnji visećih uređaja od zemljanog posuđa potrebno je provjeriti odsutnost iverja, pukotina ili drugih nedostataka na površini, a također dati prednost proizvođaču s najvećim brojem pozitivnih kritika.
Viseći toaleti izrađeni od metala ili stakla mogu se izdvojiti u zasebnu skupinu. U ovom slučaju, treba imati na umu da će, prije svega, metalni proizvodi biti povezani s javnim mjestima ili toaletima u vlaku, a staklo, čak i kaljeno staklo, neće biti izdržljivo kao keramika. Stoga se obje mogućnosti mogu pripisati nestandardnim dizajnerskim rješenjima koja se smatraju ne baš prikladnima za stambene prostore.
Što se tiče izbora boje, standardne bijele boje uvijek ostaju svestrane i relevantne, ali moderna tehnologija omogućuje vam ukrašavanje toaleta toaletima gotovo bilo koje boje. U ovom je slučaju potrebno da se toalet u boji uklapa u cjelokupni koncept prostorije. Trebali biste biti spremni da će proizvodi u boji koštati malo više od standardnih bijelih zidnih WC školjki. Općenito se sljedeći tonovi smatraju popularnima:

Danas WC možete kupiti u gotovo bilo kojoj boji, ali bijele boje uvijek ostaju univerzalne i relevantne.
- Bijela, biserna ili siva. To su svestrane boje koje će se uklopiti u bilo koji interijer i dizajn.
- Žuta, crvena, zelena. Svijetle boje koje će sobu učiniti neobičnom i zabavnom.
- Crno. Takav WC ovješen na zid bit će izvrstan dodatak toaletu u modernom stilu.
Koristan savjet! Neobično dizajnersko rješenje su toaleti s primijenjenim ukrasima ili uzorcima.
Značajke izbora kompleta WC školjki s ugradnjom ovisno o obliku
S obzirom na činjenicu da se postavljanje zidne zahodske školjke s ugradnjom provodi gotovo bilo gdje u kupaonici, zanimljivo je pobijediti dizajn sobe. To je zbog činjenice da se, pored standardne instalacije u niši, sustav može samostalno montirati u sredinu prostorije. Ovaj način instalacije mnogo je lakše organizirati u privatnoj kući ili u stanu u novoj zgradi u fazi obnove, kada postoji mogućnost izvođenja ožičenja, kako zahtijeva koncept dizajna.
Zanimljiva opcija za podni WC s instalacijom je sustav monoblokova, koji ne zahtijeva upotrebu zida. Ova opcija dizajna prodaje se odmah zajedno s WC-om. Takvi su modeli prilično skupi, ali štede korisnika od problema preuređenja WC sobe. Dizajn je nedostatak da se, ako je jedan od dijelova oštećen, mora zamijeniti cijeli sustav.

Oblik zidnog WC-a ne utječe na veličinu instalacije, ali morate odabrati proizvod na temelju površine WC-a
Razmatra se još jedna popularna verzija zahod bez obruča, za koju je puno lakše brinuti zbog nedostatka teško dostupnih mjesta. Prskanje vode u takvim modelima sprječava posebno dizajnirani sustav za ispuštanje.
Povezani članak:
WC za ugradnju: moderno i udobno rješenje za kupaonicu
Prednosti i nedostatci. Veličine instalacija i zahoda. Pregled proizvođača instalacija. Vijeća za izbor instalacija i WC školjki.
Oblik strukture praktički ne utječe na veličinu instalacije za zidni WC, ali ipak biste trebali odabrati uređaj na temelju površine kupaonice. Postoje takvi oblici s zdjelom zahodskih školjki:
- Vizir. Najpopularnija opcija koja se nalazi u većini modela zidnih WC školjki. Glavni nedostatak je brza kontaminacija vizira.
- Ljevkast. Glavna prednost je ekonomična potrošnja vode. U takvoj se posudi ne zadržavaju neugodni mirisi, a njega je vrlo jednostavna.
- Poppet. Najmanje praktična opcija, jer je za nju najteže brinuti, a ispiranje traje dugo. Glavna prednost je odsutnost vjerojatnosti prskanja vode bilo tijekom uporabe bilo tijekom ispiranja.

Oblik zdjela visećih zahodskih školjki može biti vrlo različit: kvadratni, okrugli, pravokutni, trapezni i čak u obliku jajeta.
Što se tiče samog oblika zdjele, danas postoji velik izbor modela. Dizajneri, uz standardnu ovalnu konfiguraciju, osiguravaju prisutnost kvadratnih, okruglih, pravokutnih, trapezoidnih i visećih zahoda koji nalikuju obliku jajeta. Izbor ovisi o želji da se zahodu da određeni izgled dizajna.
Kako se ne pogriješiti pri odabiru optimalne veličine za ugradnju zahoda
Glavni parametar veličine posude je njezina duljina, ovisno o tome koji su zahodi podijeljeni u sljedeće mogućnosti:
- Za malu kupaonicu kompaktni modeli duljine do 54 cm smatraju se idealnim.
- Prosječna veličina od 60 cm je najpopularnija i najsvestranija.
- Ako su u stanu osobe s invaliditetom, velike tjelesne građe ili starije osobe, bolje je dati prednost povećanim modelima - 70 cm ili više.
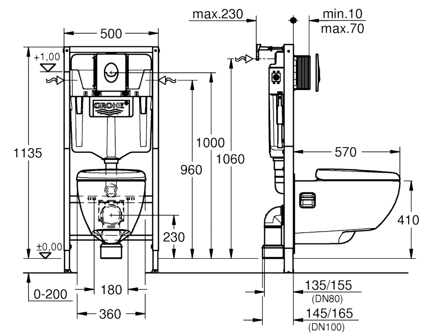
Što se tiče visine i širine instalacije, ovdje odabir dimenzija izravno ovisi o površini prostorije u kojoj se planira instalacija. Standardna visina ugradnje, ovisno o vrsti konstrukcije, varira od jednog do jednog i pol metra. Neki proizvođači nude proizvode visine do 850 mm. Treba imati na umu da je u većini modela ova karakteristika prilagodljiva zbog prisutnosti pokretnih nogu i dodatne stezne stezaljke.
Širina instalacije za zahod kreće se u rasponu od 0,3-0,5 m. U različitim modelima parametar varira, ali ne prelazi ove granice. Ako se instalacija razlikuje po prisutnosti kliznih krila, kojima je sustav pričvršćen na zid, tada širina premašuje standard.
Parametar dubine često varira u rasponu od 14,5-23,5 cm. Ovdje je važno uzeti u obzir da što je ovaj pokazatelj manji, to će niša biti potrebna za ugrađivanje. Male dimenzije su najrelevantnije kod izrade lažnih zidova od gipsanih ploča.
Zanimljivo je! Općenito, parametri instalacije ovisit će o vrsti konstrukcije i vrsti instalacije.
Osnovne vrste instalacijskih sustava za zidne WC školjke
Općenito na tržištu postoje dvije vrste sustava koje se razlikuju po vrsti konstrukcije:
- blok;
- okvir.
Blok verzija instalacije uglavnom je pričvršćena izravno na čvrsti i čvrsti zid. Učvršćivanje se u ovom slučaju vrši pomoću sidrenih vijaka koji mogu izdržati veliko opterećenje. Struktura bloka smatra se lakšom za instalaciju, ali u ovom je slučaju potrebno popuniti prazninu između glavnog i suhozidnog zida. Ako ovaj uvjet nije zadovoljen, dizajn zahoda vršit će pretjerani pritisak na lažni zid, što će rezultirati pukotinama na keramičkim pločicama.
Sustav za ugradnju okvira uključuje montiranje proizvoda na pod. Izvana je sustav metalni okvir koji je pričvršćen za pod i zid i zaseban nosač koji je odgovoran za pouzdanost ugradnje zahodske školjke. U ovom slučaju nema potrebe koristiti čvrsti zid, jer glavno opterećenje pada na pod.
Sustavi okvira omogućuju podešavanje visine zidnog zahoda unutar 20 cm pomoću podesivih nožica. To se smatra prednošću, jer za osobe niskog rasta, standardni položaj zdjele može biti nezgodan. Uz to, u prostor iznad cisterne može se postaviti i mala polica.
Prije odabira ovog ili onog modela, prvo morate odrediti optimalno mjesto instalacije i na temelju toga odabrati vrstu sustava. Stoga se standardni raspored od zida do zida smatra pogodnim za većinu umivaonika, čak i za one s ograničenim prostorom. U maloj sobi potrebno je pravilno pristupiti izboru parametara.
Po tipu mjesta instalacije razlikuju se sljedeće mogućnosti:
- Niska. Pogodno za kupaonice ograničene visine, kada je nemoguće pronaći standardnu verziju. Visina niske instalacije za zidni WC ne prelazi 82 cm.
- Dvostran. Najčešće se koristi u trgovačkim centrima ili uredima, kada je potrebno instalirati zahode sa svake strane zida. Ovaj sustav omogućuje vam uštedu prostora što je više moguće i stvaranje kompaktne kupaonice.
- Kut. Popularna opcija za ugradnju u zahod, u kombinaciji s kadom, omogućuje vam što učinkovitije korištenje područja sobe. Kutni WC s ugradnjom zahtijeva poseban dodatak, takozvani kutni instalacijski modul.
- Redovni sustav. Dizajn uključuje instalaciju nekoliko vodovodnih predmeta odjednom u kupaonici, što uključuje WC, umivaonik i bide.
Pregled glavnih modela zidnih WC školjki: Roca i Ifo
Prilikom odabira sustava ovjesa, morate uzeti u obzir značajke dizajna određenog mjesta instalacije. Morate shvatiti da će nakon instalacije okvir konstrukcije biti potpuno skriven iza ukrasnog zida ili pregrade, a naknadni pristup njemu bit će težak. Iz tog razloga nije preporučljivo štedjeti na kupnjama.
Preporučuje se odabir modela pouzdanog i pouzdanog proizvođača koji je dobio najpozitivnije kritike. Da biste izbjegli probleme, trebali biste pažljivo pristupiti procesu instalacije i, u nedostatku iskustva, kontaktirati tvrtke specijalizirane za ovu vrstu posla.
Na tržištu postoji veliki broj proizvođača i modela. Radi praktičnosti, ispod je popis najpopularnijih ovješenih konstrukcija koje imaju dobre kritike ne samo među korisnicima, već i među vodoinstalaterima.
Suspendirane zahodske školjke "Roca" španjolskog proizvođača popularne su, jer u Rusiji postoji pogon ove tvrtke, odnosno cijena proizvoda bit će nešto niža. Postava tvrtke odlikuje se visokokvalitetnim proizvodima, jednostavnim, ali atraktivnim izgledom. Pogledajmo bliže modele koji su najviše traženi na tržištu.
Roca The Gap. WC je izrađen od sanitarnog porculana, ima pneumatski gumb za ispiranje i dva načina odvoda. Ovješeni spremnik. Jedna od prednosti modela je zidna WC školjka s mikroliftom, takozvani sustav mekog zatvaranja, koji postupno spušta poklopac. Prosječna cijena modela je 18.720 rubalja. Treba napomenuti da neka prodajna mjesta prodaju zidni toalet Roca Gap bez sjedala i cisterne.
Roka Meridian.Pristupačniji model čija je prednost prisutnost premaza protiv blata. Mehanizam i način odvoda određeni su odabranim instalacijskim sustavom. Glavni nedostatak je nedostatak sjedala u kompletu, koje se zatim dodatno kupuje. Cijena - 12 360 rubalja.
Roca Dama Senso. Viseći WC, karakteriziran vodoravnom drenažom i zdjelom u obliku lijevka u obliku pravokutnog luka, što čini zahod vrlo prikladnim za upotrebu. Model je izrađen od fajansa, a poklopac je opremljen sustavom mikrolifta. Visina zahodske školjke od poda je 35 cm. Nedostatak modela je nedostatak cisterne u kompletnom kompletu. Cijena - od 10 tisuća rubalja.
Ostale popularne opcije za zidne viseće zahodske školjke su modeli švicarskog proizvođača Ifo:
- Sjoss Rimfree RP313200600. Proizvod je izrađen od porculana i ima vodoravni smjer ispuštanja vode. Glavne prednosti su prisutnost sustava protiv prskanja, prisutnost sjedala u kompletu, vrsta WC školjke bez okvira. Nedostaci uključuju odsutnost instalacijskog okvira, koji se mora kupiti zasebno. Cijena - od 15.900 rubalja.
- Posebni RP731300100. Još jedan popularan model zidnog zahoda je Ifo, kojem također nedostaje instalacijski sustav. Po želji možete instalirati sjedalo s mikroliftom. Cijena - od 8 tisuća rubalja.
Opis zidnih toaleta Geberit, Grohe i Villeroy Boch njemačkih proizvođača
Njemačka tvrtka Geberit proizvodi vodovodne instalacije od 1906. godine i od tada je stekla puno iskustva u proizvodnji. Osim Njemačke, tvrtka ima tvornice u SAD-u, Kini i mnogim europskim zemljama. WC školjke izrađene su samo od visokokvalitetnih materijala, a jamstvo za proizvod produljuje se više od 10 godina. Svi modeli imaju međunarodne certifikate o sukladnosti i kvaliteti.
Duofix UP320. Ovaj model visećeg WC-a "Geberit" proizveden je u tvornici u Švicarskoj. Glavna prednost instalacije je što se može instalirati čak i na mjestima gdje je problematično montirati druge modele. Sustav dolazi s pouzdanim pričvrsnim klinovima, čija je duljina 500 mm, i neće biti teško pronaći rezervne dijelove za model. Visina konstrukcije je 112 cm, dostupan je gumb za dvostruko ispiranje. Cijena počinje od 14 tisuća rubalja.
Duofix 4 u 1. Viseći WC s mikroliftom na željeznom nosaču, što znatno produljuje njegov vijek trajanja. Set se sastoji od okvira s vodokotlićem, kromiranog gumba, konzolnog zidnog WC-a Flaminia APP Goclean s dizajnom bez okvira i zvučno izolirajućom podlogom. Trošak počinje od 21 tisuću rubalja.
Njemačka tvrtka Grohe, ne manje popularna u industriji sanitarne keramike, također proizvodi visokokvalitetne zidne zahode. Najpopularniji modeli su:
- Grohe Lixil Solido. Zdjela modela izrađena je od porculana, a sama konstrukcija pripada zidnom tipu. Za sastavne dijelove jamči se 5 godina. Trošak - od 21 tisuću rubalja.
- Grohe Sensia Arena. Smatra se premium modelom, čija cijena doseže 100 tisuća rubalja. Glavna prednost je prisutnost funkcija bidea, ugrađenog sušila za kosu i antibakterijskog premaza. Zahvaljujući svom neobičnom dizajnu, ukrasit će svaku kupaonicu.
- Grohe Rapid SL. Dizajn sustava s 10 točaka u ocjeni zidnih WC školjki dobiva 10 bodova. Visina okvira je 113 cm. Uz instalaciju, komplet sadrži spremnik, pričvrsne elemente, zvučno izolacijski materijal i kromirani gumb za dvostruko ispiranje. Glavna prednost je prisutnost mogućnosti odabira priključka za vodu sa strane ili sa stražnje strane. Cijena počinje od 19 tisuća rubalja.

WC s instalacijom Grohe Lixil Solido dostupan je u standardnim veličinama, a jamstvo za komponente je 5 godina
Villeroy Boch je još jedna njemačka tvrtka koja izrađuje kvalitetne zidne modele zahoda.Prvi na popisu je model Novo čiji trošak počinje od 30 tisuća rubalja. Materijal od kojeg je izrađena zdjela je pouzdani porculan. WC ima vodoravni odvod vode i dva načina odvoda. Sjedalo je opremljeno sustavom mikrolifta i brzo se odvoji.
Glavna pozitivna značajka je dostupnost kompletnog instalacijskog kompleta. Nedostacima se može smatrati kratko jamstveno razdoblje (4 godine) i mogućnost izvođenja samo stražnjeg spajanja spremnika, što može uzrokovati poteškoće tijekom instalacije.
Jeftiniji model zidnih WC-a Villeroy Boch je Architectura, koji ima dizajn bez okvira i dvosmjerni odvod. Cijena (21 tisuća rubalja) opravdana je činjenicom da instalacijski okvir nije uključen u komplet.
Jeftini zidni modeli WC-a koji imaju dobre kritike
Popularna je proračunska verzija zidnog toaleta poljske tvrtke Cersanit - model Delfi, čija cijena iznosi samo 6500 rubalja. Svi zidni WC-i Cersanit nemaju ugradbeni okvir u kompletu, zbog čega ih odlikuje niska cijena. Zdjela modela Delfi izrađena je od visokokvalitetnog zemljanog posuđa, ima obrnuti odvod i dvostruki mehanički gumb koji vam omogućuje ekonomičnu upotrebu vode. Glavni nedostaci su prisutnost prskanja tijekom ispiranja i sporo punjenje spremnika. Ostali modeli tvrtke:
- Grad Cersanit. Ima sustav protiv prskanja i atraktivne kromirane armature. Glavne prednosti su sjedalo sa sustavom mekog zatvaranja i niska cijena (od 5500 rubalja).
- Cersanit Čisti. Zidni bide od porculana s leđima prema zidu. Komplet uključuje svu potrebnu armaturu, kao i kromiranu slavinu.
Druga proračunska opcija su spušteni vodovodni uređaji češke tvrtke Jika. Ovdje bismo trebali istaknuti model Lyra, čiji je trošak samo 3 tisuće rubalja, ali istodobno zahod ima atraktivan dizajn. Instalacija, sjedalo i okovi morat će se kupiti zasebno. Skuplja opcija je model Mio čija cijena počinje od 6500 rubalja. Sadrži moderan dizajn, sjedalo s brzim otpuštanjem i skrivenu ugradnju. Instalacija za proizvod mora se kupiti zasebno.
Značajke instaliranja visećeg WC-a vlastitim rukama
Ako imate dobro iskustvo u građevinskim radovima, uključujući vještine povezivanja vodovodne opreme, možete sami pokušati instalirati zidni toalet. Međutim, treba imati na umu da u slučaju kvara neće biti lako prepraviti strukturu.
Prije svega, trebali biste odabrati mjesto instalacije, uzimajući u obzir nesmetan pristup kanalizaciji i opskrbi hladnom vodom, označiti razinu učvršćivanja okvira. Da bi se održala razina instalacije, tijekom instalacije treba koristiti razinu zgrade. Vijčana konstrukcija trebala bi se dobro smjestiti uz pod ili zid.

Ako imate iskustva u građevinskim radovima i vještine povezivanja vodovoda, tada sami možete pokušati instalirati zidni WC
Koristan savjet! Prije ugradnje spremnika trebali biste provjeriti njegov rad ulijevanjem u njega nekoliko litara vode.
Da bi se stvorio lažni zid koji prekriva strukturu, često se koristi gips karton, koji se zatim obloži ovisno o okolišu. Nakon toga, viseći WC se pričvršćuje pomoću klinova, kao i njegova veza s vodoopskrbnim i odvodnim sustavima. U završnoj fazi instaliran je gumb za ispuštanje.
Instalacija s visećim WC-om smatra se urednom i lijepom opcijom za uređenje kupaonice, pogotovo ako u stanu prevladava moderan stil. Zbog odsutnosti nepotrebnih dijelova i bližeg mjesta zahoda do vodokotlića (u usporedbi sa standardnom verzijom), čak će i mala soba izgledati prostranije. U takvoj će sobi biti puno prikladnije očistiti, jer prilikom pranja poda nikakve strukture neće ometati.




















