Un dels problemes més urgents per als propietaris de cases de camp és l’arranjament d’un sistema d’abastiment d’aigua i clavegueram. I això és natural, perquè en absència d’un subministrament centralitzat d’aigua, tothom ha de resoldre aquest problema pel seu compte. Penseu en un dels mètodes més populars per a això: un caixó de plàstic per a un pou. Intentarem esbrinar quins avantatges té sobre els altres i si és possible dur a terme la instal·lació pel nostre compte.
Contingut [Hide]
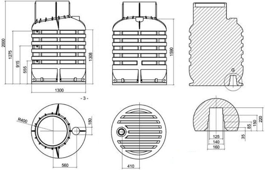
Caixó de plàstic per a un pou: què és i per què es necessita?
La correcta disposició del pou és la condició principal per al seu funcionament estable durant tot l'any natural. És per això que no hem d’oblidar que a la nostra zona climàtica a l’hivern la temperatura baixa significativament per sota dels 0 ° C, cosa que provoca la congelació de l’aigua. Per tant, a l’hora d’instal·lar equips de fontaneria, cal pensar com protegir-lo de la congelació.
A grans profunditats, on es troben les lents de l’aqüífer, no hi ha gelades, però més a prop de la superfície de la terra, on es troba l’equip de bombament, els canvis de temperatura greus poden provocar-ne un mal funcionament. La congelació d’aigua a l’interior de les canonades pot fer que esclati i caldrà reparar tot el sistema de l’aqüífer. Per evitar-ho, s’utilitzen caixons.
El cassó és un recipient tèrmic especial amb tapa, necessari per a gairebé tots els pous. L'única excepció és el cas quan es tracta d'un edifici climatitzat. Tot i que aquesta opció és bastant rara, ja que, malgrat totes les comoditats associades al manteniment del sistema, és molt sorollós a l’interior de l’edifici. Per tant, la majoria dels propietaris de cases de camp donen preferència a l’arranjament pous utilitzant un caixó de plàstic.
La composició del caixó de plàstic inclou els components següents:
- una bomba que subministra aigua;
- equips de filtració;
- accessoris dissenyats per aturar el flux;
- tanc d’expansió;
- diversos instruments que mesuren la pressió a l'interior del sistema;
- automatització.
El cassó s’instal·la a la canonada de la carcassa a una profunditat d’1-2 m, cosa que protegeix el sistema fins i tot de les gelades més severes.
Un consell útil! La instal·lació i sortida addicionals del tub de derivació permet connectar una mànega per regar el jardí i l’hort.
Caixó de plàstic: avantatges i desavantatges
Fins fa poc, es creia que els equips de plàstic eren massa fràgils i no eren adequats per utilitzar-se en condicions de funcionament tan dures. Però la tecnologia moderna ha permès crear caixons de plàstic ideals per a la instal·lació en pous. I avui en dia, el plàstic és un dels materials més populars que s’utilitzen amb aquesta finalitat.
Els caixons de plàstic inclouen polietilè, PVC-U, polipropilè i fibra de vidre. Tots aquests additius proporcionen al contenidor una major resistència i fiabilitat. Considerem tots els avantatges i desavantatges d’utilitzar caixes anomenades d’aquest material.
Avantatges de fer servir caixons de plàstic:
- treballs de manteniment i reparació més fàcils. Si teniu una escala, podeu comprovar fàcilment l’estat i la funcionalitat de tots els elements constitutius;
- els caixons de plàstic tenen una vida útil decent: uns 50 anys;
- el rendiment d'aïllament tèrmic del plàstic és bastant elevat, cosa que permet evitar l'aïllament tèrmic addicional dels equips en regions amb climes temperats. Però, fins i tot si es necessita un aïllament addicional, és molt senzill fer-ho; simplement podeu equipar un prestatge aïllant;
- el plàstic és un dels materials més econòmics actuals. És per això que l’ús d’equips de plàstic us costarà diverses vegades més barat que els productes fets amb qualsevol altre material;
- el plàstic conserva totes les seves propietats durant tota la seva vida útil, mentre que no sofreix processos de podridura i corrosió;
- durant la instal·lació d’un caixó de plàstic, no us heu de preocupar per la impermeabilització;
- el plàstic és lleuger, cosa que permet la instal·lació d’equips sense la participació d’equips especials i sense implicar especialistes per a això;
- els moderns cassons de plàstic no tenen costures ni juntes, cosa que els fa més duradors i redueix significativament el risc de danys durant l’ús.
Entre els desavantatges d’aquest tipus d’equips, només es pot distingir un desavantatge significatiu: el plàstic està subjecte a deformacions. Tot i això, això només pot passar quan les aigües subterrànies estan massa a prop de la superfície de la terra. Si haguéssiu d’afrontar aquesta situació, podeu resoldre el problema abocant una capa de formigó de 10 cm al voltant del tanc.
Nota! Algunes estructures modernes estan dissenyades per tenir en compte la probabilitat que l'aigua subterrània flueixi prop de la superfície terrestre i tingui un camp dedicat a l'abocament de formigó.
Caixó de formigó armat o metall per a un pou: que és millor
A més dels caixons de plàstic, podeu trobar productes de metall o formigó armat a la venda. Quins avantatges tenen i com prendre la decisió correcta, equipar el vostre propi pou d’aigua amb un armari, ho considerarem més endavant.
Els cassons de formigó són extremadament rars avui en dia. Això es deu al fet que els desavantatges del seu funcionament superen significativament els avantatges. Són molt cars i, al mateix temps, requereixen un procediment d’instal·lació complex, que s’associa a un gran pes estructural. Aquí no es pot prescindir de l’ajut d’especialistes, així com de demanar equips especials, que també comporten costos addicionals.
A més, a causa del seu pes, les estructures de formigó posen una càrrega greu sobre el sòl, cosa que sovint comporta la seva caiguda i, en conseqüència, un dany al sistema d’abastiment d’aigua. A més, aquests caixons requereixen impermeabilització d’alta qualitat i una base molt fiable.A Internet es poden veure fotos de caixons fets d’aquest material.
Els avantatges dels tancs metàl·lics inclouen el fet que es pot fer un caixó per a un pou amb les seves pròpies mans. Com fer i instal·lar una estructura metàl·lica: podeu veure les instruccions del vídeo o de la foto. Serà més fàcil comprar un caixó metàl·lic, però abans de fer-ho cal pesar tots els avantatges i els contres.
Aquesta solució té un inconvenient important: la majoria dels materials econòmics i de cost mitjà són corrosius. Aquests models que són resistents a gairebé qualsevol factor extern tenen un cost molt considerable. A més, els preus dels caixons metàl·lics d’un pou poden variar significativament en funció del fabricant.
Caixes de pou: preus i característiques dels models populars
Els més populars al mercat nacional són els caixons de plàstic Triton... Depenent de la mida, el seu cost pot variar entre 18,5 i 80 mil rubles. Podeu conèixer la política de preus actual d'altres fabricants a la taula següent:
| Fabricant | Característiques | Dimensions, mm | Pes, kg | preu, fregar. |
| Planta de laminació de metalls (Rússia) | Armari rectangular de metall amb escala incorporada. La tapa també està aïllada | 2000x1000x1000 | 280 | 23000 |
| Caixó rodó de metall amb escala integrada. La tapa del recipient està aïllada | 250 | 19230 | ||
| Termit 2000 (Rússia) | Caixó de plàstic. Permet instal·lar diversos forats per a canonades de diferents diàmetres | 1440x2100 | 85 | 31500 |
| Grup Alta (Rússia) | Caixa de plàstic amb base de 8 mm. Equipat amb una escala interna i una prestatgeria per a l'aïllament | 1000x1000x1630 | 44 | 25100 |
Instal·lació d’un caixó en un pou: el cost de la feina
Comprar un caixó per a un pou és només la meitat de la batalla. Un cop lliurat al lloc, s’ha d’instal·lar. Tot i això, no tothom vol fer això tot sol. La majoria prefereixen recórrer als professionals i demanar la instal·lació d’un armari sota el pou a una empresa especialitzada en això.
Algunes empreses ofereixen als seus clients la instal·lació gratuïta d’equips, sempre que hagin de comprar-los un caixó de plàstic. Tanmateix, això es pot trobar amb poca freqüència i els productes que ofereixen tindran un cost diverses vegades superior a altres ofertes similars.
Tingueu en compte el rang de preus mitjà per a la instal·lació de la caixa al pou:
- Excavar un pou per a un armari costarà uns 12.000 rubles.
- Instal·lació del dispositiu a l'interior del pou: 9.000 rubles.
- La instal·lació de la bomba costarà uns 8.000 rubles.
- Treballs relacionats amb l'excavació de trinxeres, així com la col·locació d'un cable: 1600 rubles per 1 metre corrent.
Per tant, haureu de pagar una quantitat considerable per l’arranjament complet del sistema, sobretot si teniu en compte l’equip addicional del sistema de reg i altres bagatelles. Això fa pensar que el preu d’un caixó de plàstic per a un pou no hauria de ser massa baix. Atès que és simplement poc pràctic instal·lar un tanc barat de baixa qualitat per a aquest tipus de diners.
Caixó de bricolatge format per anells de formigó per a un pou
Malgrat els preus bastant assequibles dels caixons ja fets, molts tendeixen a provar de fer-los sols, utilitzant els materials disponibles. Una d’aquestes opcions és un armari concret de bricolatge. Si decidiu donar preferència a aquesta opció, haureu de familiaritzar-vos amb algunes de les funcions d’aquest procés:
- La principal dificultat és assegurar una connexió estanca precisa entre els anells. Per tant, s’ha de prestar especial atenció al procés d’instal·lació.
- El diàmetre dels anells de formigó pot ser qualsevol, però no heu de triar massa grans, ja que compliquen el procés d’instal·lació i sovint no es justifiquen.
- No us oblideu de la impermeabilització de qualitat.Per a aquest propòsit, utilitzeu llentiscles bituminosos.
- Tingueu cura de crear una base sòlida: utilitzeu morter de formigó de formigó.
La construcció d’un armari per a un anell de formigó ben construït és un procés força complicat, que és gairebé impossible de dur a terme sense la participació d’equips especials. Els elements estructurals són massa pesats per poder baixar-los manualment a l’excavació. També és difícil reparar un armari format per anells de formigó, però si apareixen forats entre els anells, és necessari.
Com instal·lar un caixó de plàstic per a un pou amb les seves pròpies mans
Abans de procedir a la instal·lació directa del caixó al pou, cal preparar-hi una base fiable, és a dir, pou. Les seves dimensions han de ser necessàriament d’uns 20-30 cm més grans que les del dipòsit de plàstic. Al mateix temps, a la part inferior de la fossa, cal fer una petita depressió que ajudi a fixar el recipient. Per fer-ho, seguiu unes directrius senzilles:
- cal abocar una mica de sorra sobre el fons anivellat del pou;
- després una capa uniforme de grava fina;
- per garantir la rigidesa de l'estructura, s'instal·la un marc reforçat a la part superior;
- després d'això, només queda abocar el formigó i esperar que s'assequi completament.

La instal·lació competent d’un caixó de plàstic per a un pou és la garantia d’un servei llarg i impecable en el futur
En el procés de treball, és important no oblidar que si el sistema està equipat amb un acumulador hidràulic, el forat de la canonada s’hauria de situar lleugerament cap al lateral. En aquest cas, l'opció ideal és si la carcassa sobresortirà per sobre del nivell del terra. Això farà que el procediment d’instal·lació del sistema sigui molt més fàcil.
S'ha de prestar una atenció especial al procés de fixació de la caixa de plàstic a la canonada. Això requerirà atenció i precisió. Alguns dels models més recents estan equipats amb cavitats de formigó. Si el sistema preveu la presència d’un acumulador hidràulic, tots els equips es poden lligar a una base prèviament preparada. Després que el caixó ocupi el seu lloc a la fossa, els buits restants es cobreixen amb terra seca.
Com es va esmentar anteriorment, si el nivell freàtic és massa alt, els buits restants també s'han d'omplir de formigó per evitar danys al tanc. A més, podeu utilitzar reforços per a això. Aquesta és una forma més fiable de protegir el pou. Abans d’abocar formigó, és important no oblidar que tots els cables i canonades s’han d’encaminar a l’exterior.
Nota! Assegureu-vos d’esperar fins que el formigó s’hagi endurit completament, en cas contrari haurà de començar totes les obres des del primer moment.
Si parlem de l’elecció, comprar la caixa de plàstic per a un pou és la millor solució. Aquest tipus de producte no té les deficiències dels seus predecessors i us permet realitzar tota la feina pel vostre compte. Per això, els caixons de plàstic per als pous són merescudament populars i, en la majoria dels casos, es prefereixen per a la compra. I tot i que el preu d’una caixa metàl·lica pot ser lleugerament inferior, tots els avantatges d’utilitzar plàstic en aquest cas són òbvies.















